![]() <
>
|
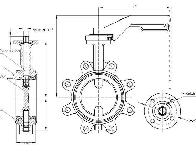
940 SERIES LUG TYPE BUTTERFLY VALVEupdate锛2014-07-07Browse锛 |
Product introduction
Technical Specification/鎶鏈鏍
- Size/瑙勬牸锛欴N40-DN600
- Design/璁捐鏍囧噯锛欱S5155
- End/杩炴帴娉曞叞锛歅N6/10/16/ANSI150
- Top Flange/椤舵硶鍏帮細ISO5211
- Face to Face/缁撴瀯闀垮害锛欼SO5752-20/API609
- Work Pressure/宸ヤ綔鍘嬪姏锛歅N6/PN10/PN16
- Work Temperature/宸ヤ綔娓╁害锛 NBR-26鈩冿綖80鈩 EPDM-26鈩冿綖120鈩 VITON-30鈩冿綖160鈩
Structure Character/缁撴瀯鐗圭偣
- Stem keeping in position by circlips
- Operated by lever or gearbox
- Spherical machining disc for a perfect tightness
- Seat extension around stem for a perfect tightness
- Epoxy coating on body
Main Components and Materials/涓昏闆朵欢鍜屾潗璐

Dimensions/灏哄















