![]() <
>
|
GROOVED BUTTERFLY VALVEupdate锛2014-07-07Browse锛 |
Product introduction
Technical Specification/鎶鏈鏍
- Size/瑙勬牸锛欴N50-DN300
- End/杩炴帴娉曞叞锛欼SO PN6/10/16
- Work pressure/宸ヤ綔鍘嬪姏锛歅N10/PN16
- Work temperature/宸ヤ綔娓╁害锛-10鈩冿綖110鈩
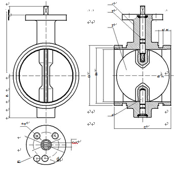
Structure Character/缁撴瀯鐗圭偣
- Stem keeping in position by circlips
- Operated by lever or gearbox
- Spherical machining disc for a perfect tightness
- Disc lined with different rubber for different medium.
- Epoxy coating on body
Main Components and Materials/涓昏闆朵欢鍜屾潗璐

Dimensions/灏哄

prev 锛CURVED JOINTS next锛EXPANSION JOINT













