![]() <
>
|
420 SERIES DAMPING CHECK VALVEupdate锛2014-07-07Browse锛 |
Product introduction
Technical Specification/鎶鏈鏍
- Size/瑙勬牸锛欴N40-DN600
- End/杩炴帴娉曞叞锛欼SO PN6/10/16
- Face to Face/缁撴瀯闀垮害锛欴IN 3202 F3
- Work pressure/宸ヤ綔鍘嬪姏锛歅N10/PN16
- Work Temperature/宸ヤ綔娓╁害锛-20鈩冿綖80鈩
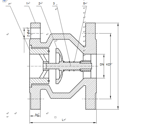
Structure Character/缁撴瀯鐗圭偣
- Small volume, light weight, integrated structure.
- Low fluid resistance, perfect Kv value; full tightness, Zero leakage.
- Stable performance, without vibration and noise, low water hammer pressure.
- Suitable in horizontal and vertical direction installation, easy installation.
Main Components and Materials/涓昏闆朵欢鍜屾潗璐
















