![]() <
>
|
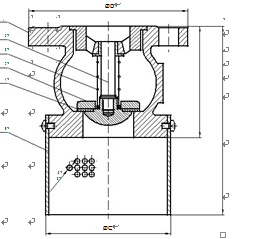
450 SERIES FOOT VALVEupdate锛2014-07-07Browse锛 |
Product introduction
Technical Specification/鎶鏈鏍
- Size/瑙勬牸锛欴N50-DN300
- End/杩炴帴娉曞叞锛欼SO PN6/10/16- Work pressure/宸ヤ綔鍘嬪姏锛歅N16
- Work Temperature/宸ヤ綔娓╁害锛-20鈩冿綖80鈩
Structure Character/缁撴瀯鐗圭偣
- Small volume, light weight, integrated structure.
- close quickly, low water hammer pressure.
- Suitable in horizontal and vertical direction installation, easy installation.
- low fluid resistance
- quick closing, full tightness.
Main Components and Materials/涓昏闆朵欢鍜屾潗璐

Dimensions/灏哄















