![]() <
>
|
520 SERIES ADJUSTABLE REDUCED PRESSURE VALVEupdate锛2014-07-07Browse锛 |
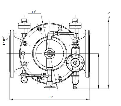
Pressure relief valve has two types, Piston type from DN20~DN500, diaphragm type from DN600~DN800. Pressure relief valve is composed by the main valve, needle valve, ball valve, pilot valve, piezometer , etc. Pressure relief valve is used to control the preset pressure of main valve.
This valve is widely used in municipal domestic water systems, factories and mines.
Technical Specification/鎶鏈鏍
- Size/瑙勬牸锛欴N20-DN800
- Diaphragm type/闅旇啘寮忥細DN20-DN500锛
- Piston type/娲诲寮忥細DN600-DN800
- End/杩炴帴娉曞叞锛欼SO PN6/10/16
- Work Pressure/宸ヤ綔鍘嬪姏锛歅N10/PN16
- Work Temperature/宸ヤ綔娓╁害锛0鈩冿綖80鈩
Structure Character/缁撴瀯鐗圭偣
- Full Bore Design, low fluid resistance and large flow.
- Hydraulically balanced, when the hydraulic pressure in the pinline reaches set rate, the valve will open automatically and adjust the pressure under the set rate.
- Easy to adjust set pressure and reset, Large operating range.
Main Components and Materials/涓昏闆朵欢鍜屾潗璐

Dimensions/灏哄

















