![]() <
>
|
4 0 4 型 旋 启 式 止 回 阀更新:2014-07-04浏览: |
- Face to Face/结构长度:DIN 3202 F6 BS5153
- Work Pressure/工作压力:PN16 DN50-DN400 PN10 DN450-DN600
- Work Temperature/工作温度:-20℃~100℃
Structure Character/结构特点
-全通径
全通径设计,最小的流阻,最优的流量曲线。
- 螺栓联接阀盖
方便安装拆卸内部零件。
- 安装方便
可水平和垂直安装。
Main
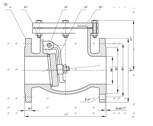
Components and Materials/主要零件和材质
|
NO./序号 |
Description/名称 |
Material/材质 |
|
1 |
Body/阀体 |
GG/GGG/Carbon Steel |
|
|
|
|
|
2 |
Disc/阀板 |
GG/GGG/Carbon Steel |
|
|
|
|
|
3 |
Pin/销轴 |
GGG/Carbon Steel +EPDM/NBR |
|
|
|
|
|
4 |
Seals/密封环 |
Bronze/Brass |
|
|
|
|
|
5 |
Cover/盖 |
GGG/Carbon Steel |
|
|
|
|
Dimensions/尺寸
Size/规格
L
D
D1
D2
n-d
f
H
DN50
200
165
125
102
4-Φ19
19
136
DN65
240
185
145
122
4-Φ19
19
147
DN80
260
200
160
138
8-Φ19
19
158
DN100
300
220
180
158
8-Φ19
19
184
DN125
350
250
210
188
8-Φ19
19
212
DN150
400
285
240
212
8-Φ23
19
227
DN200
500
340
295
268
8-Φ23/12-Φ23
20
263
DN250
600
395/405
350/355
320
12-Φ23/12-Φ28
22
304
DN300
700
445/460
400/410
378
12-Φ23/12-Φ28
24.5
335
DN350
800
505/520
460/470
438
16-Φ23/16-Φ28
26.5
355
DN400
900
565/580
515/525
490
16-Φ28/16-Φ31
28
394
DN450
1000
615/640
565/585
550
20-Φ28/20-Φ31
30
435
DN500
1100
670/715
620/650
610
20-Φ28/20-Φ34
31.5
496
DN600
1300
780/840
725/770
725
20-Φ31/20-Φ37
36
564













