![]() <
>
|
4 2 0 型 静 音 止 回 阀更新:2014-07-04浏览: |
-Face to Face/结构长度:DIN 3202 F3 -Work pressure/工作压力:PN10/PN16
-Work Temperature/工作温度:-20℃~80℃
Structure Character/结构特点
- 体积小,重量轻,结构紧凑。
- 流阻小,流量系数大;完全密封,水压试验零泄露。
- 运行平稳,无振动,无噪音,有效防止水锤。
- 安装方便,可水平和垂直安装。
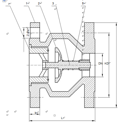
Main Components and Materials/主要零件和材质
NO./序号
Description/名称
Material/材质
1
Body/阀体
GG/GGG/Carbon Steel/Stainless
Steel
2
Disc/阀板
GGG/Carbon Steel/Stainless Steel
3
Stem/阀轴
SS304/SS316
4
Seat/阀座
Bronze/Brass/Stainless Steel
5
Spring/ 弹簧
SS304/SS316
Dimensions/尺寸
Size/规格
L
D
b
K
Z-Φd
PN10
PN16
PN10
PN16
DN40
112
145
18
110
110
4-Φ18
4-Φ18
DN50
120
160
20
125
125
4-Φ18
4-Φ18
DN65
130
180
20
145
145
4-Φ18
4-Φ18
DN80
150
195
22
160
160
8-Φ18
8-Φ18
DN100
165
215
24
180
180
8-Φ18
8-Φ18
DN125
190
245
26
210
210
8-Φ18
8-Φ18
DN150
210
280
26
240
240
8-Φ22
8-Φ22
DN200
255
335
30
295
295
8-Φ22
12-Φ22
DN250
310
405
32
350
355
12-Φ22
12-Φ26
DN300
320
460
32
400
410
12-Φ22
12-Φ26
DN350
380
520
36
460
470
16-Φ22
16-Φ26
DN400
405
580
38
515
525
16-Φ26
16-Φ30
DN450
430
640
40
565
585
20-Φ26
20-Φ30
DN500
450
715
42
620
650
20-Φ26
20-Φ33
DN600
510
840
48
725
770
20-Φ30
20-Φ36













