![]() <
>
|
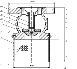
4 5 0 型 底 阀更新:2014-07-04浏览: |
产品介绍
- Size/规格:DN50-DN300
- End/连接法兰:ISO PN6/10/16
- Work pressure/工作压力:PN16
- End/连接法兰:ISO PN6/10/16
- Work pressure/工作压力:PN16
- Work Temperature/工作温度:-20℃~80℃
Structure Character/结构特点
- 体积小,重量轻,结构紧凑。
- 阀瓣关闭快速,水锤压力小。
- 水平或垂直管道均可使用,安装方便。
- 流道通畅、流体阻力小 。
- 动作灵敏、密封性能好 。
Main Components and Materials/主要零件和材质
Dimensions/尺寸
上一篇:440型全衬胶双瓣式止回阀 下一篇:4 5 2 型 过 滤 器














