![]() <
>
|
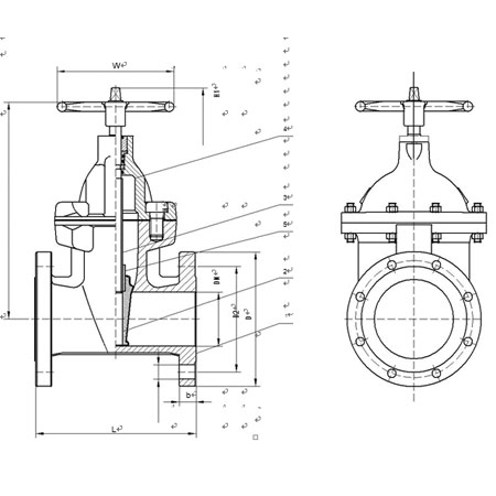
620 SERIES RESILIENT SEATED GATE VALVEupdate锛2014-07-07Browse锛 |
Technical Specification/鎶鏈鏍
- Size/瑙勬牸锛欴N40-DN600
- Design/璁捐鏍囧噯锛欴IN3352- End/杩炴帴娉曞叞锛歅N6/10/16
- Face to Face/缁撴瀯闀垮害锛欴IN3202 F4/F5 BS5163
- Work Pressure/宸ヤ綔鍘嬪姏锛歅N6/PN10/PN16
- Work Temperature/宸ヤ綔娓╁害锛-20鈩冿綖80鈩
Structure Character/缁撴瀯鐗圭偣
- Flat bottom seat
Resilient soft seat gate valve appy the same flat bottom design as pipse.It prevents the pipe from debris deposition, and maintain pipeline unblocked. - The whole body is eubber lined.The valve uses high quality rubber to line internal and external parts.The first- class rubber vulcanization technology ensure the valve with precise dimension. The rubber is tightly lined on the parts.
- Corrosion resistance
The body is coated with epoxy resion powder, anti-corrosion and anti-rust.
- 3 O-rings sealing
3 O-rings sealing design at shaft, it reduce the frictional resistance when open and close, and significantly reduce water leakage and we can replace the seal rings without closing water supply.
Main Components and Materials/涓昏闆朵欢鍜屾潗璐

Dimensions/灏哄















